ZEROZONE выделенный CRC блок питания 8*22000 uF 35V для пропуска | Электроника


Цена:2959.74RUB
Стоимость в USD:Подробнее

Количество:

Где купить?

Характеристики

ZEROZONE выделенный CRC блок питания 8*22000 uF 35V для пропуска |

Описание товара

Тип 1: DIY kit. (не включает 8 шт.Основные фильтрующие конденсаторы)

Тип 3: панель PSU Assembeld (с8 шт.Nichicon LS(M) 35V 22000UF конденсаторы Главного Фильтра)

Тип 2: набор «сделай сам». Включает в себя8 шт.Nichicon LS(M) 35V 22000UF конденсаторы Главного Фильтра


У нас есть 3Конфигурация для выбора:

 

Размер печатной платы:144*126*2 мм(Высота крышки составляет около 48 мм)

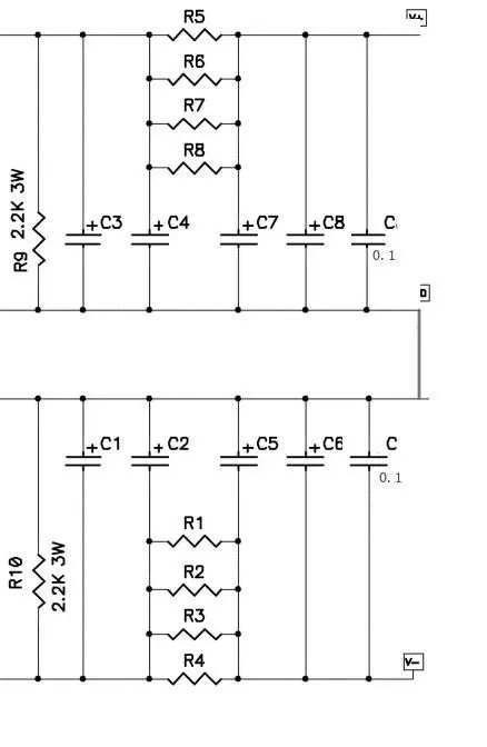
Специальная плата питания CRC 8*22000uf 35V PSU плата для PASS amp DIY

 

 


 



 



DataCaciques


Написать отзыв